Product Summary
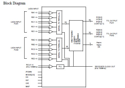
The THC63LVD1024 is a transmitter. The device is designed to support Single Link transmission between Host and Flat Panel Display and Dual Link transmission between Host and Flat Panel Display up to 1080p/QXGA resolutions. The THC63LVD1024 converts the LVDS data streams back into 67bits of CMOS/TTL data with falling edge or rising edge clock for convenient with a variety of LCD panel controllers. In Dual Link, the transmit clock frequency of 135MHz, 67bits of RGB data are transmitted at an effective rate of 945Mbps per LVDS channel. Using a 135MHz clock, the data throughput is 1.05Gbytes per second. In Asynchronous mode, the THC63LVD1024 has 2 independent 35Bits Transmitter.
Parametrics
THC63LVD1024 absolute maximum ratings: (1)Supply Voltage (VCC): -0.3V ~ +4.0V; (2)CMOS/TTL Input Voltage: -0.3V ~ (VCC + 0.3V); (3)LVDS Driver Output Voltage: -0.3V ~ (VCC + 0.3V); (4)Output Current: -30mA ~ 30mA; (5)Junction Temperature: +125℃; (6)Storage Temperature Range: -55 ~ +125℃; (7)Lead Temperature (Soldering, 4sec): +260℃; (8)Maximum Power Dissipation: 4.4W.
Features
THC63LVD1024 features: (1)Wide dot clock range suited for TV Signal (480i-1080p), PC Signal (VGA-QXGA); (2)PLL requires No external components; (3)Flexible input/output mode; (4)50% output clock duty cycle; (5)TTL clock edge selectable; (6)TTL clock output timing programmable; (7)2 output data mapping for simplifying PCB layout; (8)Power down mode; (9)Low power single 3.3V CMOS design; (10)144 pin LQFP exposed PAD.
Diagrams

![]() |
![]() THC63LVD103 |
![]() Other |
![]() |
![]() Data Sheet |
![]() Negotiable |
|
||||
![]() |
![]() THC63LVD104A |
![]() Other |
![]() |
![]() Data Sheet |
![]() Negotiable |
|
||||
![]() |
![]() THC63LVD104S |
![]() Other |
![]() |
![]() Data Sheet |
![]() Negotiable |
|
||||
![]() |
![]() THC63LVD823 |
![]() Other |
![]() |
![]() Data Sheet |
![]() Negotiable |
|
||||
![]() |
![]() THC63LVD824 |
![]() Other |
![]() |
![]() Data Sheet |
![]() Negotiable |
|
||||
![]() |
![]() THC63LVDF64A |
![]() Other |
![]() |
![]() Data Sheet |
![]() Negotiable |
|
||||
(China (Mainland))








