Product Summary
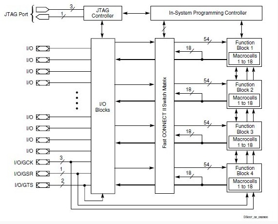
The XC9572XL-10VQG64C is a 3.3V CPLD targeted for high-performance, low-voltage applications in leading-edge communications communications and computing systems. XC9572XL-10VQG64C is comprised of two 54V18 Function Blocks, providing 800 usable gates with propagation delays of 5 ns.
Parametrics
XC9572XL-10VQG64C absolute maximum ratings: (1)VCC Supply voltage relative to GND: –0.5 to 4.0V; (2)VIN Input voltage relative to GND: –0.5 to 5.5V; (3)VTS Voltage applied to 3-state output: –0.5 to 5.5V; (4)TSTG Storage temperature: –65 to +150℃; (5)TSOL Maximum soldering temperature (10s @ 1/16 in. = 1.5 mm): +260℃; (6)TJ Junction temperature: +150℃.
Features
XC9572XL-10VQG64C features: (1)5 ns pin-to-pin logic delays; (2)System frequency up to 178 MHz; (3)36 macrocells with 800 usable gates; (4)Fast concurrent programming; (5)Slew rate control on individual outputs; (6)Enhanced data security features; (7)Pin-compatible with 5V-core XC9536 device in the 44-pin PLCC package and the 48-pin CSP package; (8)Low power operation -5V tolerant I/O pins accept 5 V, 3.3V, and 2.5V signals; (9)3.3V or 2.5V output capability; (10)Advanced 0.35 micron feature size CMOS FastFLASH technology.
Diagrams

| Image | Part No | Mfg | Description | ![]() |
Pricing (USD) |
Quantity | ||||||||||||||||
|---|---|---|---|---|---|---|---|---|---|---|---|---|---|---|---|---|---|---|---|---|---|---|
![]() |
![]() XC9572XL-10VQG64C |
![]() |
![]() IC CPLD 1.6K 72MCELL 64-VQFP |
![]() Data Sheet |
![]()
|
|
||||||||||||||||
| Image | Part No | Mfg | Description | ![]() |
Pricing (USD) |
Quantity | ||||||||||||||||
![]() |
![]() XC9500 |
![]() Other |
![]() |
![]() Data Sheet |
![]() Negotiable |
|
||||||||||||||||
![]() |
![]() XC9500XV |
![]() Other |
![]() |
![]() Data Sheet |
![]() Negotiable |
|
||||||||||||||||
![]() |
![]() XC9501 |
![]() Other |
![]() |
![]() Data Sheet |
![]() Negotiable |
|
||||||||||||||||
![]() |
![]() XC9502 |
![]() Other |
![]() |
![]() Data Sheet |
![]() Negotiable |
|
||||||||||||||||
![]() |
![]() XC9503 |
![]() Other |
![]() |
![]() Data Sheet |
![]() Negotiable |
|
||||||||||||||||
![]() |
![]() XC9503B093AR-G |
![]() |
![]() IC REG BUCK ADJ 1A DL 10MSOP |
![]() Data Sheet |
![]()
|
|
||||||||||||||||
(China (Mainland))










