Product Summary
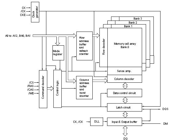
The EDD5116ADTA-6B-E is 512M bits Double Data Rate (DDR) SDRAM. This highspeed data transfer is realized by the 2 bits prefetchpipelined architecture. The EDD5116ADTA-6B-E is available for high speed and reliable data bus design. The DDR SDRAM has the two mode registers, the mode register and the extended mode register, to defines how it works. The both mode registers are set through the address pins (the A0 to the A12, BA0 to BA1) in the mode register set cycle. It is packaged in standard 66-pin plastic TSOP (II).
Parametrics
Absolute maximum ratings:(1)Voltage on any pin relative to VSS:-1.0V to +3.6V;(2)Supply voltage relative to VSS:-1.0V to +3.6V;(3)Short circuit output current:50mA;(4)Power dissipation:1.0W;(5)Operating ambient temperature:0°C to 70°C;(6)Storage temperature:-55°C to +125°C.
Features
Features:(1)Power supply: VDD, VDDQ = 2.5V ± 0.2V;(2)Data Rate: 333Mbps/266Mbps (max.);(3)4 internal banks for concurrent operation;(4)Differential clock inputs (CK and /CK);(5)DLL aligns DQ and DQS transitions with CK transitions;(6)Data mask (DM) for write data;(7)Auto precharge option for each burst access;(8)Refresh cycles: 8192 refresh cycles/64ms;(9)2 variations of refresh:Auto refresh and Self refresh;(10)TSOP (II) package with lead free solder (Sn-Bi).
Diagrams

![]() |
![]() EDD5104ABTA |
![]() Other |
![]() |
![]() Data Sheet |
![]() Negotiable |
|
||||
![]() |
![]() EDD5104ADTA |
![]() Other |
![]() |
![]() Data Sheet |
![]() Negotiable |
|
||||
![]() |
![]() EDD5104ADTA-E |
![]() Other |
![]() |
![]() Data Sheet |
![]() Negotiable |
|
||||
![]() |
![]() EDD5108ADTA-6BL-E |
![]() Other |
![]() |
![]() Data Sheet |
![]() Negotiable |
|
||||
![]() |
![]() EDD5108ADTA-E |
![]() Other |
![]() |
![]() Data Sheet |
![]() Negotiable |
|
||||
![]() |
![]() EDD5108AFTA |
![]() Other |
![]() |
![]() Data Sheet |
![]() Negotiable |
|
||||
(China (Mainland))








