Product Summary
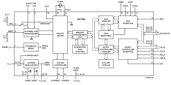
The ISP1582BS is a cost-optimized and feature-optimized Hi-Speed Universal Serial Bus (USB) peripheral controller. It fully complies with Universal Serial Bus Specification Rev. 2.0, supporting data transfer at high-speed (480 Mbit/s) and full-speed (12Mbit/s). The ISP1582BS provides high-speed USB communication capacity to systems based on microcontrollers or microprocessors. It communicates with a microcontroller or microprocessor of a system through a high-speed general-purpose parallel interface. The applications of the ISP1582BS include Personal digital assistant, Digital video camera, Digital still camera, 3G mobile phone, MP3 player, Communication device, for example: router and modem, Printer, Scanner.
Parametrics
ISP1582BS absolute maximum ratings: (1)VCC, supply voltage: -0.5 +4.6 V; (2)VCC(I/O), I/O pad supply voltage: -0.5 +4.6 V; (3)VI, input voltage: -0.5 VCC + 0.5 V; (4)Ilu, latch-up current VI < 0 or VI > VCC: -100 mA; (5)Vesd, electrostatic discharge voltage ILI < 1 mA: -2000 to +2000 V; (6)Tstg, storage temperature: -40 to +125℃.
Features
ISP1582BS features: (1)Complies fully with: Universal Serial Bus Specification Rev. 2.0; Most Device Class specifications; ACPI, OnNow and USB power management requirements.; (2)Supports data transfer at high-speed (480 Mbit/s) and full-speed (12 Mbit/s); (3)High performance USB peripheral controller with integrated Serial Interface Engine (SIE), Parallel Interface Engine (PIE), FIFO memory and data transceiver; (4)Automatic Hi-Speed USB mode detection and Original USB fall-back mode; (5)Supports sharing mode; (6)Supports VBUS sensing; (7)High-speed DMA interface; (8)Fully autonomous and multiconfiguration DMA operation; (9)7 IN endpoints, 7 OUT endpoints and a fixed control IN/OUT endpoint; (10)Integrated physical 8 kbytes of multiconfiguration FIFO memory; (11)Endpoints with double buffering to increase throughput and ease real-time data transfer; (12)Bus-independent interface with most microcontrollers and microprocessors; (13)12 MHz crystal oscillator with integrated PLL for low EMI; (14)Software-controlled connection to the USB bus (SoftConnect.); (15)Low-power consumption in operation and power-down modes; suitable for use in bus-powered USB devices; (16)Supports Session Request Protocol (SRP) that complies with On-The-Go Supplement to the USB Specification Rev. 1.0a; (17)Internal power-on and low-voltage reset circuits; also supports software reset; (18)Operation over the extended USB bus voltage range (DP, DM and VBUS); (19)5 V tolerant I/O pads at 3.3 V; (20)Operating temperature range from -40℃ to +85℃; (21)Available in HVQFN56 halogen-free and lead-free package.
Diagrams

| Image | Part No | Mfg | Description | ![]() |
Pricing (USD) |
Quantity | ||||
|---|---|---|---|---|---|---|---|---|---|---|
![]() |
![]() ISP1582BS |
![]() |
![]() IC USB CTRL HI-SPEED 56HVQFN |
![]() Data Sheet |
![]() Negotiable |
|
||||
![]() |
![]() ISP1582BS,518 |
![]() NXP Semiconductors |
![]() USB Interface IC USB PERIPH CNTRLR |
![]() Data Sheet |
![]() Negotiable |
|
||||
![]() |
![]() ISP1582BS-T |
![]() NXP Semiconductors |
![]() USB Interface IC USB PERIPH CNTRLR |
![]() Data Sheet |
![]() Negotiable |
|
||||
![]() |
![]() ISP1582BS-S |
![]() NXP Semiconductors |
![]() USB Interface IC HI-SPEED USB2 DEVICE |
![]() Data Sheet |
![]() Negotiable |
|
||||
![]() |
![]() ISP1582BS,551 |
![]() NXP Semiconductors |
![]() USB Interface IC HI-SPEED USB2 DEVICE |
![]() Data Sheet |
![]() Negotiable |
|
||||
![]() |
![]() ISP1582BSGA |
![]() |
![]() IC UBS CTRL HI-SPEED 56HVQFN |
![]() Data Sheet |
![]() Negotiable |
|
||||
![]() ISP1582BSUM |
![]() |
![]() IC USB PERIPH CONTROLLER 56HVQFN |
![]() Data Sheet |
![]() Negotiable |
|
|||||
(China (Mainland))









