Product Summary
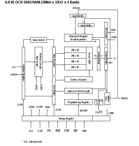
The K4J55323QG-BC14 is 268,435,456 bits of hyper synchronous data rate Dynamic RAM organized as 4 x 2,097,152 words by 32 bits, fabricated with SAMSUNG’s high performance CMOS technology. Synchronous features with Data Strobe allow extremely high performance up to 6.4GB/s/chip. I/O transactions are possible on both edges of the clock cycle. Range of operating frequencies, and programmable latencies allow the device to be useful for a variety of high performance memory system applications.
Parametrics
Absolute maximum ratings:(1)Voltage on any pin relative to Vss:-0.5V to VDDQ + 0.5V;(2)Voltage on VDD supply relative to Vss:-0.5V to 2.5V;(3)Voltage on VDDQ supply relative to Vss:-0.5V to 2.5V;(4)MAX Junction Temperature:125°C;(5)Storage temperature:-55°C to 150°C;(6)Power dissipation:TBD W;(7)Short Circuit Output Current:50mA.
Features
Features:(1)On-Die Termination (ODT);(2)Output Driver Strength adjustment by EMRS;(3)Calibrated output drive;(4)1.8V Pseudo Open drain compatible inputs/outputs;(5)4 internal banks for concurrent operation;(6)Commands entered on each positive CK edge;(7)Single ended WRITE strobe (WDQS) per byte;(8)32ms, auto refresh (4K cycle);(9)136 Ball FBGA;(10)DLL for outputs.
Diagrams

![]() |
![]() K4J55323QF-GC |
![]() Other |
![]() |
![]() Data Sheet |
![]() Negotiable |
|
||||
![]() |
![]() K4J52324QC-B |
![]() Other |
![]() |
![]() Data Sheet |
![]() Negotiable |
|
||||
(China (Mainland))








