Product Summary
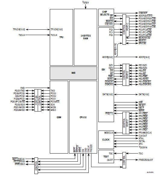
The MC68332GCEH16 is a highly-integrated 32-bit microcontroller. It combines high-performance data manipulation capabilities with powerful peripheral subsystems. The MC68332GCEH16 is built up from standard modules that interface through a common intermodule bus (IMB). The MC68332GCEH16 incorporates a 32-bit CPU (CPU32), a system integration module (SIM), a time processor unit(TPU), a queued serial module (QSM), and a 2-Kbyte static RAM module with TPU emulation capability (TPURAM).
Parametrics
MC68332GCEH16 specifications: (1)RAM Size: 2K × 8; (2)Number of I /O: 15; (3)Package / Case: 132-BQFP Bumpered; (4)Speed: 16MHz; (5)Oscillator Type: Internal; (6)Packaging: Tray; (7)Program Memory Type: ROMless; (8)Core Processor: CPU32; (9)Core Size: 32-Bit; (10)Operating Temperature: -40℃ ~ 85℃; (11)Connectivity: EBI/EMI, SCI, SPI, UART/USART; (12)Peripherals: POR, PWM, WDT; (13)Voltage - Supply (Vcc/Vdd): 4.5 V ~ 5.5 V; (14)Lead Free Status: Contains Lead; (15)RoHS Status: RoHS Non-Compliant.
Features
MC68332GCEH16 features: (1)32-Bit Architecture; (2)Virtual Memory Implementation; (3)Table Lookup and Interpolate Instruction; (4)Improved Exception Handling for Controller Applications; (5)High-Level Language Support; (6)Background Debugging Mode; (7)Fully Static Operation.
Diagrams

| Image | Part No | Mfg | Description | ![]() |
Pricing (USD) |
Quantity | ||||||||||||
|---|---|---|---|---|---|---|---|---|---|---|---|---|---|---|---|---|---|---|
![]() |
![]() MC68332GCEH16 |
![]() Freescale Semiconductor |
![]() 32-bit Microcontrollers (MCU) 32 Bit 16MHz |
![]() Data Sheet |
![]()
|
|
||||||||||||
| Image | Part No | Mfg | Description | ![]() |
Pricing (USD) |
Quantity | ||||||||||||
![]() |
![]() MC6800 |
![]() Other |
![]() |
![]() Data Sheet |
![]() Negotiable |
|
||||||||||||
![]() |
![]() MC6801 |
![]() Other |
![]() |
![]() Data Sheet |
![]() Negotiable |
|
||||||||||||
![]() |
![]() MC68020 |
![]() Other |
![]() |
![]() Data Sheet |
![]() Negotiable |
|
||||||||||||
![]() |
![]() MC68020CEH16E |
![]() Freescale Semiconductor |
![]() Microprocessors (MPU) 32-BIT MPU |
![]() Data Sheet |
![]() Negotiable |
|
||||||||||||
![]() |
![]() MC68020CEH25E |
![]() Freescale Semiconductor |
![]() Microprocessors (MPU) 32-BIT MPU |
![]() Data Sheet |
![]() Negotiable |
|
||||||||||||
![]() |
![]() MC68020CRC16E |
![]() Freescale Semiconductor |
![]() Microprocessors (MPU) 32-BIT MPU |
![]() Data Sheet |
![]() Negotiable |
|
||||||||||||
(China (Mainland))










