Product Summary
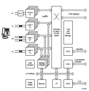
The PEB20560HV3.1 is a DSP Oriented PBX Controller. It consists of the following main functional blocks: A switching matrix, multiple Layer-1 transceivers for t/r (a/b), S/T, UP and UK interfaces, IOM-2 interface controller, signaling controllers, a DSP for tone and voice management, a microprocessor, memory, clock generator, power supply and transformers.
Parametrics
PEB20560HV3.1 absolute maximum ratings: (1)Ambient temperature under bias PEB TA: 0 to 70 ℃, PEF TA: -40 to 85 ℃; (2)Storage temperature Tstg: -65 to 125 ℃; (3)IC supply voltage VDD: -0.4 to 4.6 V; (4)Protection supply voltage VDDP: -0.5 to 5.5 V; (5)Voltage on any pin with respect to ground VS: -0.4 to VDDP + 0.4 V; (6)Maximum current on all lines connected to the backplane when the DOC is without power supply; at 5.5 V external signal level Imax: 2.3 mA.
Features
PEB20560HV3.1 features: (1)a-/μ- law coding and decoding by hardware (on the fly); (2)Firmware for DSP work load measurement (within every 125μs frame); (3)Protection against write into program memory using password; (4)μP-DSP communication via two Mail-Boxes; (5)On-chip emulation (OCEM for DSP program debugging; (6)8-bit μP Interface compatible with Siemens/Intel bus schemes; (7)Programmable clock generator with built-in logic for Master and Slave configurations; (8)Watch-Dog timer; (9)Reset logic; (10)UART for V.24 Interface.
Diagrams

![]() |
![]() PEB2 |
![]() Panduit |
![]() Wire Ducting Panel Extender Bracket 2 RU |
![]() Data Sheet |
![]() Negotiable |
|
||||||
![]() |
![]() PEB2023 |
![]() Other |
![]() |
![]() Data Sheet |
![]() Negotiable |
|
||||||
![]() |
![]() PEB2025 |
![]() Other |
![]() |
![]() Data Sheet |
![]() Negotiable |
|
||||||
![]() |
![]() PEB20256EV2.1-G |
![]() Infineon Technologies |
![]() Audio CODECs T/E |
![]() Data Sheet |
![]() Negotiable |
|
||||||
![]() |
![]() PEB20256EV2.2-G |
![]() Infineon Technologies |
![]() Audio CODECs T/E |
![]() Data Sheet |
![]() Negotiable |
|
||||||
![]() |
![]() PEB20256E-V21 |
![]() |
![]() IC CONTROLLER INTERFACE 388-BGA |
![]() Data Sheet |
![]()
|
|
||||||
(China (Mainland))










