Product Summary
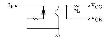
The TLP281-4 is a very small and thin coupler. The TLP281-4 is suitable for surface mount assembly in applications such as PCMCIA Fax modem, programmable controllers. It consists of photo transistor, optically coupled to a gallium arsenide infrared emitting diode.
Parametrics
TLP281-4 absolute maximum ratings: (1)LED, Forward Current IF: 50 mA; Forward Current Derating ΔIF /℃: -0.5 (Ta≥25℃) mA /℃; Pulse Forward Current IFP: 1 A; Reverse Voltage VR: 5 V; Junction Temperature Tj: 125℃; (2)detector, Collector-Emitter Voltage VCEO: 80 V; Emitter-Collector Voltage VECO: 7 V; Collector Current IC: 50 mA; Collector Power Dissipation (1 Circuit) PC: 100 mW; Collector Power Dissipation; (3)Derating(Ta≥25℃) (1 Circuit) ΔPC /℃: -1.0 mW /℃; Junction Temperature Tj: 125℃; (4)Operating Temperature Range Topr: -55~100℃; (5)Storage Temperature Range Tstg: -55~125℃; (6)Lead Soldering Temperature Tsol: 260 (10s)℃; (7)Total Package Power Dissipation (1 Circuit) PT: 170 mW; (8)Total Package Power Dissipation Derating (Ta≥25℃) (1 Circuit) ΔPT /℃: -1.7 mW /℃; (9)Isolation Voltage BVS: 2500(AC,1min,R.H.≤60%) Vrms.
Features
TLP281-4 features: (1)Collector-Emitter Voltage: 80 V (MIN); (2)Current Transfer Ratio: 50% (MIN); (3)Rank GB: 100% (MIN); (4)Isolation Voltage : 2500 Vrms (MIN); (5)UL Recognized : UL1577 , File No. E67349; (6)BSI Approved : BS EN 60065: 2002, BS EN 60950-1: 2002, Certificate No. 8143, 8144.
Diagrams

| Image | Part No | Mfg | Description | ![]() |
Pricing (USD) |
Quantity | ||||||||||||||||||
|---|---|---|---|---|---|---|---|---|---|---|---|---|---|---|---|---|---|---|---|---|---|---|---|---|
![]() |
![]() TLP281-4 |
![]() Toshiba |
![]() Transistor Output Optocouplers 80Vceo 2500Vrms 4 channels |
![]() Data Sheet |
![]() Negotiable |
|
||||||||||||||||||
![]() |
![]() TLP281-4(GB) |
![]() |
![]() PHOTOCPLR QUAD TRANS-OUT 16-SOP |
![]() Data Sheet |
![]() Negotiable |
|
||||||||||||||||||
![]() |
![]() TLP281-4(GB,J,F) |
![]() Toshiba |
![]() Transistor Output Optocouplers Photocouplr AC TOOLS 1.27mm LEAD PITCH |
![]() Data Sheet |
![]() Negotiable |
|
||||||||||||||||||
![]() |
![]() TLP281-4(GB,TP,J,F) |
![]() |
![]() PHOTOCPLR QUAD TRANS-OUT 16-SOP |
![]() Data Sheet |
![]()
|
|
||||||||||||||||||
![]() |
![]() TLP281-4(GB-TP) |
![]() |
![]() PHOTOCPLR QUAD TRANS-OUT 16-SOP |
![]() Data Sheet |
![]() Negotiable |
|
||||||||||||||||||
![]() |
![]() TLP281-4(GB-TP,J,F |
![]() Toshiba |
![]() Transistor Output Optocouplers 80Vceo 2500Vrms 4 channels |
![]() Data Sheet |
![]()
|
|
||||||||||||||||||
![]() |
![]() TLP281-4(GB-TP,J,FX) |
![]() Toshiba |
![]() Transistor Output Optocouplers AC TOOLS 1.27mm LEAD PITCH |
![]() Data Sheet |
![]() Negotiable |
|
||||||||||||||||||
![]() |
![]() TLP281-4(TP,J,F) |
![]() Toshiba |
![]() Transistor Output Optocouplers Photocouplr AC TOOLS 1.27mm LEAD PITCH |
![]() Data Sheet |
![]() Negotiable |
|
||||||||||||||||||
(China (Mainland))










