Product Summary
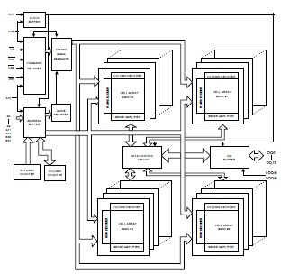
The W982516BH-75 is a high-speed synchronous dynamic random access memory (SDRAM), organized as 4M words × 4 banks × 16 bits. Using pipelined architecture and 0.175 μm process technology, the W982516BH-75 delivers a data bandwidth of up to 143M words per second (-7). To fully comply with the personal computer industrial standard, the W982516BH-75 is sorted into two speed grades: -7 and -75. By having a programmable Mode Register, the system can change burst length, latency cycle, interleave or sequential burst to maximize its performance. The W982516BH-75 is ideal for main memory in high performance applications.
Parametrics
W982516BH-75 absolute maximum ratings: (1)Input, Output Voltage VIN, VOUT: -0.3 - VCC + 0.3 V; (2)Supply Voltage VCC, VCCQ: -0.3 - 4.6 V; (3)Operating Temperature (-7/-75/75L) TOPR: 0 - 70 ℃; (4)Operating Temperature (75I) TOPR: -40 - 85 ℃; (5)Storage Temperature TSTG: -55 - 150 ℃; (6)Soldering Temperature (10s) TSOLDER: 260 ℃; (7)Power Dissipation PD: 1 W; (8)Short Circuit Output Current IOUT: 50 mA.
Features
W982516BH-75 features: (1)3.3V ±0.3V Power Supply; (2)Up to 143 MHz Clock Frequency; (3)4,194,304 Words × 4 Banks × 16 Bits Organization; (4)Self Refresh Mode: Standard and Low Power; (5)CAS Latency: 2 and 3; (6)Burst Length: 1, 2, 4, 8, and Full Page; (7)Burst Read, Single Writes Mode; (8)Byte Data Controlled by LDQM, UDQM; (9)Power-down Mode; (10)Auto Precharge and Controlled Precharge; (11)8K Refresh Cycles/64 mS; (12)Interface: LVTTL; (13)Packaged in TSOP II 54-pin, 400 mil - 0.80.
Diagrams

| Image | Part No | Mfg | Description | ![]() |
Pricing (USD) |
Quantity | ||||
|---|---|---|---|---|---|---|---|---|---|---|
![]() |
![]() W982516BH-75 |
![]() Other |
![]() |
![]() Data Sheet |
![]() Negotiable |
|
||||
| Image | Part No | Mfg | Description | ![]() |
Pricing (USD) |
Quantity | ||||
![]() |
![]() W982504AH |
![]() Other |
![]() |
![]() Data Sheet |
![]() Negotiable |
|
||||
![]() |
![]() W982504BH |
![]() Other |
![]() |
![]() Data Sheet |
![]() Negotiable |
|
||||
![]() |
![]() W982516AH |
![]() Other |
![]() |
![]() Data Sheet |
![]() Negotiable |
|
||||
![]() |
![]() W982516AH-7 |
![]() Other |
![]() |
![]() Data Sheet |
![]() Negotiable |
|
||||
![]() |
![]() W982516AH-75 |
![]() Other |
![]() |
![]() Data Sheet |
![]() Negotiable |
|
||||
![]() |
![]() W982516BH |
![]() Other |
![]() |
![]() Data Sheet |
![]() Negotiable |
|
||||
(China (Mainland))









