Product Summary
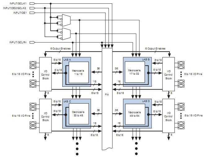
The EPM7128STC100-15 is a high-density, high-performance PLD. It is based on Altera’s second-generation MAX architecture. Fabricated with advanced CMOS technology, the EEPROM-based EPM7128STC100-15 provides 600 to 5,000 usable gates, ISP, pin-to-pin delays as fast as 5 ns, and counter speeds of up to 175.4MHz. The EPM7128STC100-15 has several enhanced features: additional global clocking, additional output enable controls, enhanced interconnect resources, fast input registers, and a programmable slew rate.
Parametrics
EPM7128STC100-15 absolute maximum ratings: (1)Supply voltage:–2.0V to 7.0V; (2)DC input voltage:–2.0V to 7.0V; (3)DC output current:–25mA to 25mA; (4)Storage temperature:–65℃ to 150℃; (5)Ambient temperature:–65℃ to 135℃; (6)Junction temperature:135℃.
Features
EPM7128STC100-15 features: (1)High-performance, EEPROM-based programmable logic devices (PLDs) based on second-generation MAX architecture; (2)Complete EPLD family with logic densities ranging from 600 to 5,000 usable gates; (3)5-ns pin-to-pin logic delays with up to 175.4-MHz counter frequencies (including interconnect); (4)PCI-compliant devices available; (5)Open-drain output option in MAX 7000S devices; (6)Programmable macrocell flipflops with individual clear, preset, clock, and clock enable controls; (7)Programmable power-saving mode for a reduction of over 50% in each macrocell; (8)Configurable expander product-term distribution, allowing up to 32 product terms per macrocell; (9)44 to 208 pins available in plastic J-lead chip carrier (PLCC), ceramic pin-grid array (PGA), plastic quad flat pack (PQFP), power quad flat pack (RQFP), and 1.0-mm thin quad flat pack(TQFP) packages; (10)Programmable security bit for protection of proprietary designs 3.3-V or 5.0-V operation.
Diagrams

| Image | Part No | Mfg | Description | ![]() |
Pricing (USD) |
Quantity | ||||||
|---|---|---|---|---|---|---|---|---|---|---|---|---|
![]() |
![]() EPM7128STC100-15 |
![]() |
![]() IC MAX 7000 CPLD 128 100-TQFP |
![]() Data Sheet |
![]()
|
|
||||||
![]() |
![]() EPM7128STC100-15F |
![]() |
![]() IC MAX 7000 CPLD 128 100-TQFP |
![]() Data Sheet |
![]() Negotiable |
|
||||||
![]() |
![]() EPM7128STC100-15N |
![]() |
![]() IC MAX 7000 CPLD 128 100-TQFP |
![]() Data Sheet |
![]()
|
|
||||||
(China (Mainland))









