Product Summary
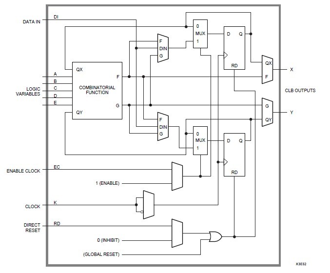
The XC3020A-7PQ100C is a Field Programmable Gate Array (FPGA) which provides a group of high-performance, high-density, digital integrated circuits. Their regular, extendable, flexible, user-programmable array architecture is composed of a configuration program store plus three types of configurable elements: a perimeter of I/O Blocks (IOBs), a core array of Configurable Logic Bocks (CLBs) and resources for interconnection. The XC3020A-7PQ100C provides a variety of logic capacities, package styles, temperature ranges and speed grades.
Parametrics
XC3020A-7PQ100C absolute maximum ratings: (1)VCC Supply voltage relative to GND: –0.5 to +7.0 V; (2)VIN Input voltage with respect to GND: –0.5 to VCC +0.5 V; (3)VTS Voltage applied to 3-state output: –0.5 to VCC +0.5 V; (4)TSTG Storage temperature (ambient): –65 to +150 ℃; (5)TSOL Maximum soldering temperature (10 s @ 1/16 in.): +260 ℃; (6)TJ Junction temperature plastic: +125 ℃; Junction temperature ceramic: +150 ℃.
Features
XC3020A-7PQ100C features: (1)High-performance CMOS static memory technology: Guaranteed toggle rates of 70 to 370 MHz, logic delays from 7 to 1.5 ns; System clock speeds over 85 MHz; Low quiescent and active power consumption; (2)Extensive packaging options: Over 20 different packages; Plastic and ceramic surface-mount and pin-gridarray packages; Thin and Very Thin Quad Flat Pack (TQFP and VQFP) options.
Diagrams

![]() |
![]() XC3000 |
![]() Other |
![]() |
![]() Data Sheet |
![]() Negotiable |
|
||||
![]() |
![]() XC3000A |
![]() Other |
![]() |
![]() Data Sheet |
![]() Negotiable |
|
||||
![]() |
![]() XC3000L |
![]() Other |
![]() |
![]() Data Sheet |
![]() Negotiable |
|
||||
![]() |
![]() XC3020A-7PC84C |
![]() |
![]() IC LOGIC CL ARRAY 2000GAT 84PLCC |
![]() Data Sheet |
![]() Negotiable |
|
||||
![]() |
![]() XC3030-100PC44C |
![]() |
![]() IC LOGIC CL ARRAY 3000GAT 44PLCC |
![]() Data Sheet |
![]() Negotiable |
|
||||
![]() |
![]() XC3030-100PC68C |
![]() |
![]() IC LOGIC CL ARRAY 3000GAT 68PLCC |
![]() Data Sheet |
![]() Negotiable |
|
||||
(China (Mainland))









