Product Summary
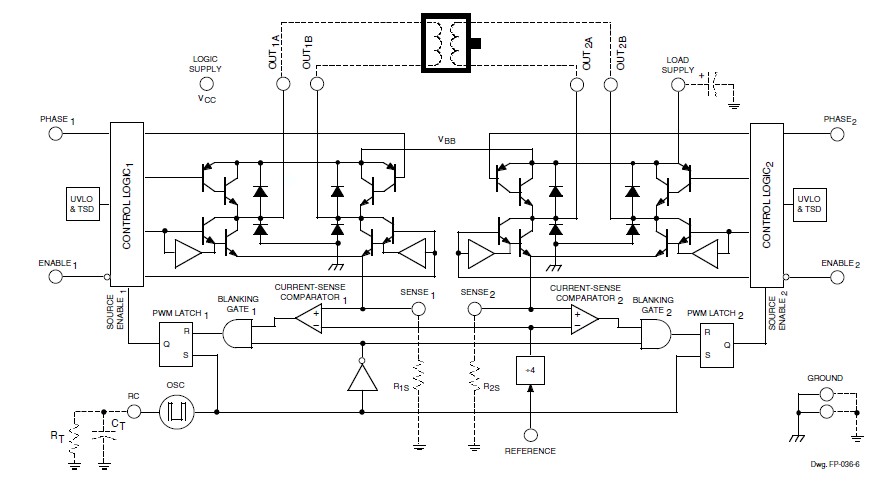
The A3966SLB is a dual full-bridge pwm motor driver. It is designed to drive both windings of a two-phase bipolar stepper motor. The A3966SLB includes two H-bridges capable of continuous output currents of ±650 mA and operating voltages to 30 V. Motor winding current can be controlled by the internal fixed-frequency, pulse-width modulated (PWM), current-control circuitry. The peak load current limit is set by the user’s selection of a reference voltage and current-sensing resistors. Except for package style and pinout, the A3966SLB is identical.
Parametrics
A3966SLB absolute maximum ratings: (1)Load Supply Voltage, VBB: 30 V; (2)Output Current, IOUT (peak): ±750 mA, (continuous): ±650 mA; (3)Logic Supply Voltage, VCC: 7.0 V; (4)Input Voltage, Vin: -0.3 V to VCC + 0.3 V; (5)Sense Voltage, VS: 1.0 V; (6)Package Power Dissipation (TA = 25℃), PD: 1.87 W; (7)Operating Temperature Range, TA: -20℃ to +85℃; (8)Junction Temperature, TJ: +150℃; (9)Storage Temperature Range, TS: -55℃ to +150℃.
Features
A3966SLB features: (1)±650 mA Continuous Output Current; (2)30 V Output Voltage Rating; (3)Internal Fixed-Frequency PWM Current Control; (4)Satlington. Sink Drivers; (5)User-Selectable Blanking Window; (6)Internal Ground-Clamp & Flyback Diodes; (7)Internal Thermal-Shutdown Circuitry; (8)Crossover-Current Protection and UVLO Protection.
Diagrams

| Image | Part No | Mfg | Description | ![]() |
Pricing (USD) |
Quantity | ||||||||||||||||
|---|---|---|---|---|---|---|---|---|---|---|---|---|---|---|---|---|---|---|---|---|---|---|
![]() |
![]() A3966SLB |
![]() |
![]() IC MOTOR DRIVER PWM FULL 16SOIC |
![]() Data Sheet |
![]() Negotiable |
|
||||||||||||||||
![]() |
![]() A3966SLB-T |
![]() |
![]() IC MOTOR DRIVER PWM FULL 16-SOIC |
![]() Data Sheet |
![]()
|
|
||||||||||||||||
![]() |
![]() A3966SLBTR-T |
![]() |
![]() IC MOTOR DRIVER PWM FULL 16SOIC |
![]() Data Sheet |
![]()
|
|
||||||||||||||||
![]() |
![]() A3966SLBTR |
![]() |
![]() IC MOTOR DRIVER PWM FULL 16SOIC |
![]() Data Sheet |
![]() Negotiable |
|
||||||||||||||||
![]() |
![]() A3966SLB-TR-T |
![]() Other |
![]() |
![]() Data Sheet |
![]() Negotiable |
|
||||||||||||||||
(China (Mainland))










