Product Summary
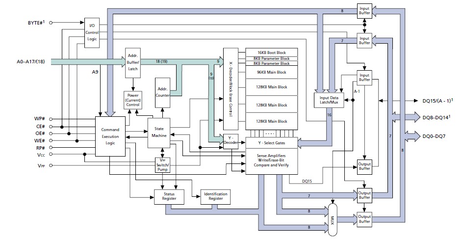
The MT28F400B5-WG-8T is an nonvolatile, electrically block-erasable (Flash), programmable, read-only memory containing 4,194,304 bits organized as 262,144 words (16 bits) or 524,288 bytes (8 bits). Writing or erasing the MT28F400B5-WG-8T is done with a 5V VPP voltage, while all operations are performed with a 5V VCC. Due to process technology advances, 5V VPP is optimal for application and production programming. The MT28F400B5-WG-8T is fabricated with Micron’s advanced 0.18µm CMOS floating-gate process.
Parametrics
MT28F400B5-WG-8T absolute maximum ratings: (1)Voltage on VCC Supply Relative to VSS: -0.5V to +6V; (2)Input Voltage Relative to VSSP: -0.5V to +6V; (3)VPP Voltage Relative to VSS: -0.5V to +5.5V; (4)RP# or A9 Pin Voltage Relative to Vss: -0.5V to +12.6V; (5)Temperature Under Bias: -40 to +85℃; (6)Storage Temperature (plastic): -55 to +125℃; (7)Power Dissipation: 1W.
Features
MT28F400B5-WG-8T features: (1)Seven erase blocks: 16KB/8K-word boot block (protected); Two 8KB/4K-word parameter blocks; Four main memory blocks; (2)Smart 5 technology (B5): 5V ±10% VCC; 5V ±10% VPP application/production programming1; (3)Advanced 0.18μm CMOS floating-gate process; (4)Compatible with 0.3μm Smart 5 device; (5)Address access time: 80ns; (6)100,000 ERASE cycles; (7)Industry-standard pinouts; (8)Inputs and outputs are fully TTL-compatible; (9)Automated write and erase algorithm; (10)Two-cycle WRITE/ERASE sequence; (11)Byte- or word-wide READ and WRITE (MT28F400B5, 256K x 16/512K x 8); (12)Byte-wide READ and WRITE only (MT28F004B5, 512K x 8); (13)TSOP and SOP packaging options.
Diagrams

![]() |
![]() MT28800 |
![]() TE Connectivity / Schrack |
![]() General Purpose / Industrial Relays METAL CLIP 100 |
![]() Data Sheet |
![]()
|
|
||||||||||||
![]() |
![]() MT28C128532W18 |
![]() Other |
![]() |
![]() Data Sheet |
![]() Negotiable |
|
||||||||||||
![]() |
![]() MT28C128532W30D |
![]() Other |
![]() |
![]() Data Sheet |
![]() Negotiable |
|
||||||||||||
![]() |
![]() MT28C128564W18 |
![]() Other |
![]() |
![]() Data Sheet |
![]() Negotiable |
|
||||||||||||
![]() |
![]() MT28C128564W30D |
![]() Other |
![]() |
![]() Data Sheet |
![]() Negotiable |
|
||||||||||||
![]() |
![]() MT28C3212P2FL |
![]() Other |
![]() |
![]() Data Sheet |
![]() Negotiable |
|
||||||||||||
(China (Mainland))









