Product Summary
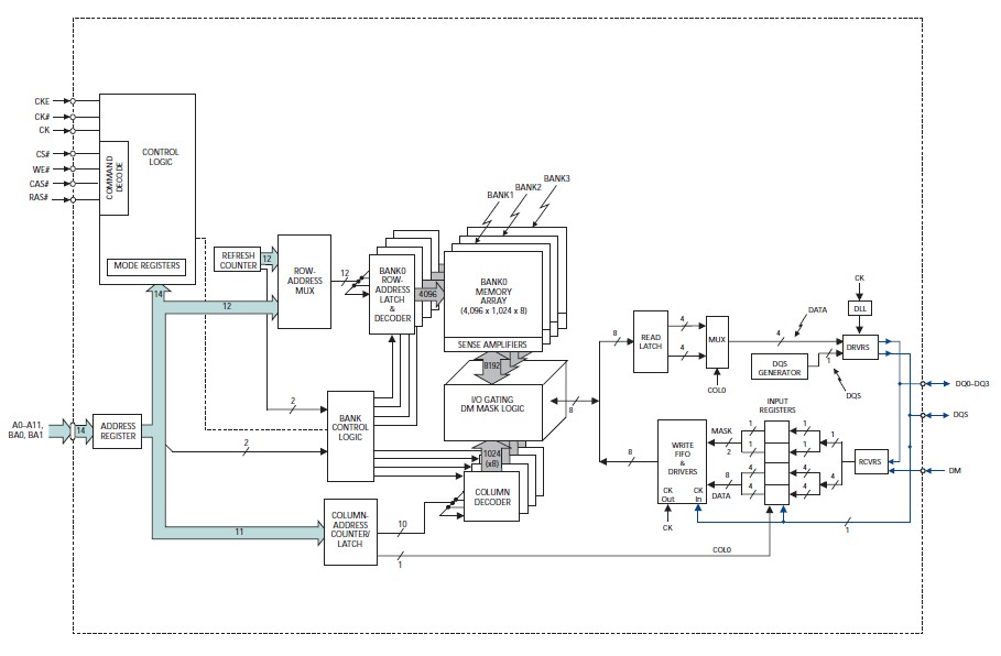
The MT46V8M16P-5B is a Double Data Rate SDRAM. It uses a double data rate architecture to achieve high-speed operation. The double data rate architecture of the MT46V8M16P-5B is essentially a 2n-prefetch architecture with an interface designed to transfer two data words per clock cycle at the I/O pins. A single read or write access for the MT46V8M16P-5B effectively consists of a single 2n-bit wide, one-clockcycle data transfer at the internal DRAM core and two corresponding n-bit wide, onehalf-clock-cycle data transfers at the I/O pins.
Parametrics
MT46V8M16P-5B absolute maximum ratings: (1)VDD supply voltage relative to VSS: –1V to +3.6V; (2)VDDQ supply voltage relative to VSS: –1V to +3.6V; (3)VREF and inputs voltage relative to VSS: –1V to +3.6V; (4)I/O pins voltage relative to VSS: –0.5V to VDDQ +0.5V; (5)Storage temperature (plastic): –55℃ to +150℃; (6)Short circuit output current: 50mA.
Features
MT46V8M16P-5B features: (1)Bidirectional data strobe (DQS) transmitted/received with data, i.e., source-synchronous data capture (x16 has two one per byte); (2)Internal, pipelined double-data-rate (DDR) architecture; two data accesses per clock cycle; (3)Differential clock inputs (CK and CK#); (4)Commands entered on each positive CK edge; (5)DQS edge-aligned with data for READs; centeraligned with data for WRITEs; (6)DLL to align DQ and DQS transitions with CK; (7)Four internal banks for concurrent operation; (8)Data mask (DM) for masking write data(x16 has two-one per byte); (9)Programmable burst lengths: 2, 4, or 8; (10)Auto refresh and self refresh modes; (11)Longer lead TSOP for improved reliability (OCPL); (12)2.5V I/O (SSTL_2 compatible); (13)Concurrent auto precharge option is supported.
Diagrams

| Image | Part No | Mfg | Description | ![]() |
Pricing (USD) |
Quantity | ||||||
|---|---|---|---|---|---|---|---|---|---|---|---|---|
![]() |
![]() MT46V8M16P-5B:D TR |
![]() |
![]() IC DDR SDRAM 128MBIT 5NS 66TSOP |
![]() Data Sheet |
![]() Negotiable |
|
||||||
| Image | Part No | Mfg | Description | ![]() |
Pricing (USD) |
Quantity | ||||||
![]() |
![]() MT46H128M16LFCK-5 IT:A |
![]() |
![]() IC DDR SDRAM 2GB 200MHZ 60VFBGA |
![]() Data Sheet |
![]()
|
|
||||||
![]() |
![]() MT46H128M16LFCK-6 IT:A |
![]() |
![]() IC DDR SDRAM 2GB 200MHZ 60VFBGA |
![]() Data Sheet |
![]()
|
|
||||||
![]() |
![]() MT46H128M32L2KQ-5 IT:A |
![]() |
![]() MOBILE LPDDR 1.8V 200MHZ 5NS |
![]() Data Sheet |
![]()
|
|
||||||
![]() |
![]() MT46H128M32L2MC-5 IT:A |
![]() |
![]() IC DDR SDRAM 2GB 200MHZ 240WFBGA |
![]() Data Sheet |
![]()
|
|
||||||
![]() |
![]() MT46H128M32L2MC-6 IT:A |
![]() |
![]() IC DDR SDRAM 2GB 200MHZ 240WFBGA |
![]() Data Sheet |
![]()
|
|
||||||
![]() |
![]() MT46H16M16LF 4 |
![]() Other |
![]() |
![]() Data Sheet |
![]() Negotiable |
|
||||||
(China (Mainland))










