Product Summary
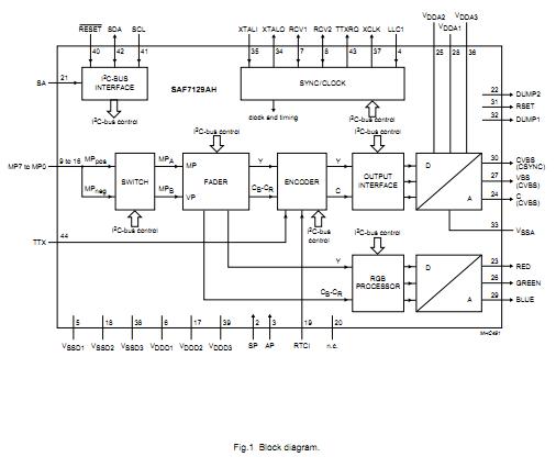
The SAF7129AH/V1 is a Digital video encoder. It encodes digital CB-Y-CR video data to an NTSC, PAL or SECAM CVBS or S-video signal. Simultaneously, RGB or bypassed but interpolated CB-Y-CR signals are available via three additional DACs. Through a 54 MHz multiplexed digital D1 input port, the SAF7129AH/V1 circuit accepts two ITU-R BT.656 compatible CB-Y-CR data streams with 720 active pixels per line in 4:2:2 multiplexed formats. For example, an MPEG decoded data with overlay and MPEG decoded data without overlay, where one data stream is latched at the rising, the other one is latched at the falling clock edge. The SAF7129AH/V1 includes a sync/clock generator and on-chip DACs.
Parametrics
SAF7129AH/V1 absolute maximum ratings: (1)VDDD, digital supply voltage: -0.5 to +4.6 V; (2)VDDA, analog supply voltage: -0.5 to +4.6 V; (3)Vi(A), input voltage at analog inputs: -0.5 to +4.6 V; (4)Vi(n), input voltage at pins XTALI, SDA and SCL: -0.5 to VDDD + 0.5 V; (5)Vi(D), input voltage at digital inputs or I/O pins: -0.5 to +4.6 V; (6)△VSS, voltage difference between VSSA(n) and VSSD(n): 100 mV; (7)Tstg, storage temperature: -65 to +150℃; (8)Tamb, ambient temperature: -40 to +85℃; (9)Vesd, electrostatic discharge voltage: ±2000 V.
Features
SAF7129AH/V1 features: (1)Monolithic CMOS 3.3 V device, 5 V I2C-bus optional; (2)Digital PAL/NTSC/SECAM encoder; (3)System pixel frequency 13.5 MHz; (4)54 MHz double-speed multiplexed D1 interface capable of splitting data into two separate channels (encoded and baseband); (5)Three Digital-to-Analog Converters (DACs) for CVBS (CSYNC), VBS (CVBS) and C (CVBS) two times oversampled with 10-bit resolution (signals in brackets optional); (6)Three DACs for RED (CR), GREEN (Y) and BLUE (CB) two times oversampled with 9-bit resolution (signals in brackets optional); (7)Alternatively, an advanced composite sync is available on the CVBS output for RGB display centreing; (8)Real-time control of subcarrier; (9)Cross-colour reduction filter; (10)Closed captioning encoding and World Standard Teletext (WST) and North-American Broadcast Text System (NABTS) teletext encoding including sequencer and filter; (11)Copy Generation Management System (CGMS) encoding (CGMS described by standard CPR-1204 of EIAJ); 20 bits in lines 20/283 (NTSC) can be loaded via I2C-bus.
Diagrams

| Image | Part No | Mfg | Description | ![]() |
Pricing (USD) |
Quantity | ||||
|---|---|---|---|---|---|---|---|---|---|---|
![]() |
![]() SAF7129AH/V1 |
![]() NXP Semiconductors |
![]() Video ICs 6 DAC VIDEO ENCODER |
![]() Data Sheet |
![]() Negotiable |
|
||||
![]() |
![]() SAF7129AH/V1,518 |
![]() NXP Semiconductors |
![]() Video ICs 6 DAC VIDEO ENCODER |
![]() Data Sheet |
![]() Negotiable |
|
||||
![]() |
![]() SAF7129AH/V1-T |
![]() NXP Semiconductors |
![]() Video ICs 6 DAC VIDEO ENCODER |
![]() Data Sheet |
![]() Negotiable |
|
||||
![]() |
![]() SAF7129AH/V1,557 |
![]() NXP Semiconductors |
![]() Video ICs 6 DAC VIDEO ENCODER |
![]() Data Sheet |
![]() Negotiable |
|
||||
(China (Mainland))









