Product Summary
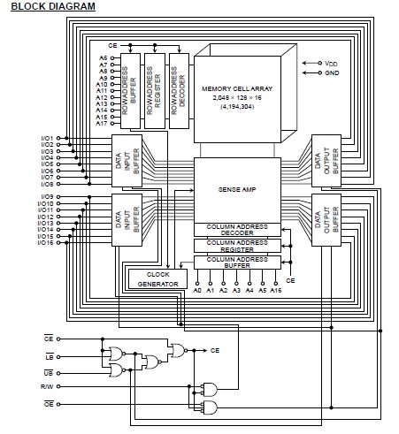
The TC554161AFT-70L is a 4,194,304-bit static random access memory (SRAM) organized as 262,144 words by 16 bits. Fabricated using Toshiba’s CMOS Silicon gate process technology, the TC554161AFT-70L operates from a single 5V ± 10% power supply. Advanced circuit technology provides both high speed and low power at an operating current of 10 mA/MHz (typ) and a minimum cycle time of 70 ns. The TC554161AFT-70L is automatically placed in low-power mode at 2 μA standby current (typ) when chip enable (CE) is asserted high.
Parametrics
TC554161AFT-70L absolute maxing ratings: (1)VDD Power Supply Voltage: -0.3~7.0 V; (2)VIN Input Voltage: -0.3~7.0 V; (3)VI/O Input/Output Voltage: -0.5~VDD + 0.5 V; (4)PD Power Dissipation: 0.6 W; (5)Tsolder Soldering Temperature (10s): 260 ℃; (6)Tstg Storage Temperature: -55~150 ℃; (7)Topr Operating Temperature: 0~70 ℃.
Features
TC554161AFT-70L features: (1)Low-power dissipation Operating: 55 mW/MHz (typical); (2)Single power supply voltage of 5 V ± 10%; (3)Power down features using CE; (4)Data retention supply voltage of 2.0 to 5.5 V; (5)Direct TTL compatibility for all inputs and outputs; (6)Standby Current (maximum): 50 μA.
Diagrams

![]() |
![]() TC55 |
![]() Cornell Dubilier |
![]() Aluminum Electrolytic Capacitors - Leaded 20uF 250V |
![]() Data Sheet |
![]()
|
|
||||||||
![]() |
![]() TC55 Series |
![]() Other |
![]() |
![]() Data Sheet |
![]() Negotiable |
|
||||||||
![]() |
![]() TC55100185L |
![]() Other |
![]() |
![]() Data Sheet |
![]() Negotiable |
|
||||||||
![]() |
![]() TC551001BFL |
![]() Other |
![]() |
![]() Data Sheet |
![]() Negotiable |
|
||||||||
![]() |
![]() TC551001BFTL |
![]() Other |
![]() |
![]() Data Sheet |
![]() Negotiable |
|
||||||||
![]() |
![]() TC551001BPL |
![]() Other |
![]() |
![]() Data Sheet |
![]() Negotiable |
|
||||||||
(China (Mainland))









