Product Summary
The XCS30XL-4PQG208C is a Field Programmable Gate Array. It delivers all the key requirements for ASIC replacement up to 40,000 gates. These requirements include high performance, on-chip RAM, core solutions and prices that, in high volume, approach and in many cases are equivalent to mask programmed ASIC devices. The XCS30XL-4PQG208C is the result of more than 14 years of FPGA design experience and feedback from thousands of customers. By streamlining the Spartan series feature set, leveraging advanced process technologies and focusing on total cost management, the XCS30XL-4PQG208C delivers the key features required by ASIC and other high-volume logic users while avoiding the initial cost, long development cycles and inherent risk of conventional ASICs. The XCS30XL-4PQG208C in the Spartan series has ten members.
Parametrics
XCS30XL-4PQG208C absolute maximum ratings: (1)VCC, Supply voltage relative to GND: –0.5 to +7.0 V; (2)VIN, Input voltage relative to GND: –0.5 to VCC +0.5 V; (3)VTS, Voltage applied to 3-state output: –0.5 to VCC +0.5 V; (4)TSTG, Storage temperature (ambient): –65 to +150℃; (5)TJ, Junction temperature Plastic packages: +125℃.
Features
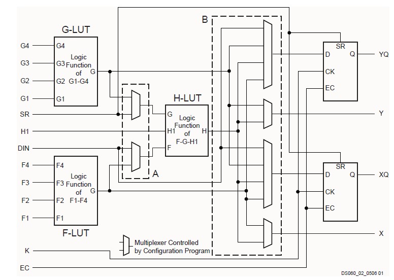
XCS30XL-4PQG208C features: (1)Available in both 5V and 3.3V versions; (2)On-chip SelectRAM memory; (3)Fully PCI compliant; (4)Full readback capability for program verification and internal node observability; (5)Dedicated high-speed carry logic; (6)Internal 3-state bus capability; (7)Eight global low-skew clock or signal networks; (8)IEEE 1149.1-compatible Boundary Scan logic; (9)Low cost plastic packages available in all densities; (10)Footprint compatibility in common packages; (11)3.3V supply for low power with 5V tolerant I/Os; (12)Power down input; (13)Higher performance; (14)Faster carry logic; (15)More flexible high-speed clock network; (16)Latch capability in Configurable Logic Blocks; (17)Input fast capture latch.
Diagrams

| Image | Part No | Mfg | Description | ![]() |
Pricing (USD) |
Quantity | ||||
|---|---|---|---|---|---|---|---|---|---|---|
![]() |
![]() XCS30XL-4PQG208C |
![]() |
![]() IC SPARTAN-XL FPGA 30K 208-PQFP |
![]() Data Sheet |
![]() Negotiable |
|
||||
| Image | Part No | Mfg | Description | ![]() |
Pricing (USD) |
Quantity | ||||
![]() |
![]() XCS30 and XCS30XL |
![]() Other |
![]() |
![]() Data Sheet |
![]() Negotiable |
|
||||
![]() |
![]() XCS30-3BG256C |
![]() |
![]() IC FPGA 5V C-TEMP 256-PBGA |
![]() Data Sheet |
![]() Negotiable |
|
||||
![]() |
![]() XCS30-3PQ208C |
![]() |
![]() IC FPGA 5V C-TEMP 208-PQFP |
![]() Data Sheet |
![]() Negotiable |
|
||||
![]() |
![]() XCS30-3PQ208I |
![]() |
![]() IC FPGA 5V I-TEMP 208-PQFP |
![]() Data Sheet |
![]() Negotiable |
|
||||
![]() |
![]() XCS30-3PQ240C |
![]() |
![]() IC FPGA 5V C-TEMP 240-PQFP |
![]() Data Sheet |
![]() Negotiable |
|
||||
![]() |
![]() XCS30-3TQ144C |
![]() |
![]() IC FPGA 5V C-TEMP 144-TQFP |
![]() Data Sheet |
![]() Negotiable |
|
||||
(China (Mainland))










