Product Summary
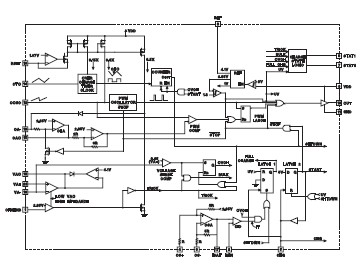
The UCC3956DW is a Switch Mode Lithium-Ion Battery Charger Controller. It is designed to work as a stand alone charger controller for a single cell or multiple cell battery pack. The UCC3956DW combines charge state logic and average current PWM control circuitry with a 14 bit counter to program the over charge time. The charge state logic indicates current or voltage control depending on the charge state. The UCC3956DW includes undervoltage lockout circuitry to insure sufficient supply voltage is present before output switching starts.
Parametrics
UCC3956DW absolute maximum ratings: (1)Supply Voltage VDD, OUT: 20V; (2)Output Current Sink Continuous: 120mA, Peak: 600mA; (3)Output Current Source Continuous: 120mA, Peak: 600mA; (4)CS+, CS– Voltage: –0.5 to VDD, Current with CS+, CS– less than –0.5: 50mA; (5)Remaining Pin Voltages: –0.3V to 6V; (6)Storage Temperature: –65℃ to +150℃; (7)Junction Temperature: –55℃ to +150℃; (8)Lead Temperature (Soldering, 10 sec.): +300℃.
Features
UCC3956DW features: (1)Precision 4.1V Reference (1%); (2)High Efficiency Battery Charger Solution; (3)Average Current Mode Control from Trickle to Over Charge; (4)Resistor Programmable Charge Currents; (5)Internal State Logic Provides Four Charge States; (6)Programmable Over Charge Time; (7)Fully Differential Switch Mode Current Sensing; (8)CHG Pin Initiates Charging.
Diagrams

| Image | Part No | Mfg | Description | ![]() |
Pricing (USD) |
Quantity | ||||||||||||
|---|---|---|---|---|---|---|---|---|---|---|---|---|---|---|---|---|---|---|
![]() |
![]() UCC3956DW |
![]() Texas Instruments |
![]() Battery Management Switchmode Charge Management IC |
![]() Data Sheet |
![]()
|
|
||||||||||||
![]() |
![]() UCC3956DWG4 |
![]() Texas Instruments |
![]() Battery Management Switchmode Charge Management IC |
![]() Data Sheet |
![]()
|
|
||||||||||||
![]() |
![]() UCC3956DWTR |
![]() Texas Instruments |
![]() Battery Management Switchmode Charge Management IC |
![]() Data Sheet |
![]() Negotiable |
|
||||||||||||
![]() |
![]() UCC3956DWTRG4 |
![]() Texas Instruments |
![]() Battery Management Switchmode Charge Management IC |
![]() Data Sheet |
![]() Negotiable |
|
||||||||||||
(China (Mainland))










