Product Summary
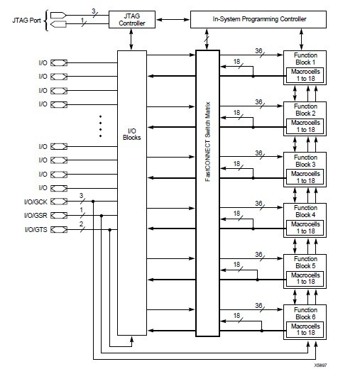
The XC95108-10PQG100C is a high-performance CPLD providing advanced in-system programming and test capabilities for general purpose logic integration. It is comprised of six 36V18 Function Blocks, providing 2,400 usable gates with propagation delays of 7.5 ns.
Parametrics
XC95108-10PQG100C absolute maximum ratings: (1)VCC Supply voltage relative to GND: -0.5 to 7.0 V; (2)VIN DC input voltage relative to GND: -0.5 to VCC + 0.5 V; (3)VTS Voltage applied to 3-state output with respect to GND: -0.5 to VCC + 0.5 V; (4)TSTG Storage temperature: -65 to +150 ℃; (5)TSOL Max soldering temperature (10 s @ 1/16 in = 1.5 mm): +260 ℃.
Features
XC95108-10PQG100C features: (1)Extensive IEEE Std 1149.1 boundary-scan (JTAG) support; (2)Programmable power reduction mode in each macrocell; (3)Slew rate control on individual outputs; (4)User programmable ground pin capability; (5)Extended pattern security features for design protection; (6)High-drive 24 mA outputs; (7)3.3 V or 5 V I/O capability; (8)Advanced CMOS 5V FastFLASH technology; (9)Supports parallel programming of more than one XC9500 concurrently; (10)Available in 84-pin PLCC, 100-pin PQFP, 100-pin TQFP and 160-pin PQFP packages.
Diagrams

| Image | Part No | Mfg | Description | ![]() |
Pricing (USD) |
Quantity | ||||||||||||||||
|---|---|---|---|---|---|---|---|---|---|---|---|---|---|---|---|---|---|---|---|---|---|---|
![]() |
![]() XC95108-10PQG100C |
![]() |
![]() IC CPLD 108 MACROCELL 100-PQFP |
![]() Data Sheet |
![]() Negotiable |
|
||||||||||||||||
| Image | Part No | Mfg | Description | ![]() |
Pricing (USD) |
Quantity | ||||||||||||||||
![]() |
![]() XC9500 |
![]() Other |
![]() |
![]() Data Sheet |
![]() Negotiable |
|
||||||||||||||||
![]() |
![]() XC9500XV |
![]() Other |
![]() |
![]() Data Sheet |
![]() Negotiable |
|
||||||||||||||||
![]() |
![]() XC9501 |
![]() Other |
![]() |
![]() Data Sheet |
![]() Negotiable |
|
||||||||||||||||
![]() |
![]() XC9502 |
![]() Other |
![]() |
![]() Data Sheet |
![]() Negotiable |
|
||||||||||||||||
![]() |
![]() XC9503 |
![]() Other |
![]() |
![]() Data Sheet |
![]() Negotiable |
|
||||||||||||||||
![]() |
![]() XC9503B093AR-G |
![]() |
![]() IC REG BUCK ADJ 1A DL 10MSOP |
![]() Data Sheet |
![]()
|
|
||||||||||||||||
(China (Mainland))










